Danfoss TE2 - Thermostatic expansion valve R448A/R449A External Equalized (Solder)

068Z3730

Product Description

TE2 element for expansion valve, flare/solder/solder, R448A / R449A

T2 and TE2 valves have an interchangeable oriƒce assembly. The oriƒce assembly is suitable for all versions of valve body and refrigerants and in all evaporating temperature ranges. The charge in the thermostatic element depends on the refrigerant and evaporating temperature range. The valves are available with internal (T2) or external (TE2) pressure equalization. External pressure equalization should always be used on systems with liquid distributors. The bulb gives fast and precise reaction to temperature changes in the evaporator. The bulb is ƒxed with a Danfoss patented bulb strap for quick, easy and reliable connection. The valves are able to withstand the e…ects that normally occur with hot gas defrosting. To ensure long operating life, the valve cone and seat are made of a special alloy with particularly good wear qualities.

Specification:

  • Temperture range: +10°c to -40°c 
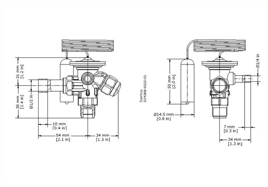
  • Angleway valve body, inlet size 3/8 inch, capillary tube length 1.5 m, max. working pressure 34.0 bar.
  • Equalization connection size, TE 2, Solder, versions with mm-connections: 6 mm, versions with in.-connections: 1/4 in.
  • Danfoss T2 / TE2 thermostatic expansion valves
  • With interchangeable Orifice assembly(Bi-flow)
  • Regulate the injection of liquid refrigerant into evaporators.
  • Injection is controlled by the refrigerant superheat.
  • Valves are especially suitable for liquid injection in ”dry“ evaporators where the superheat at the evaporator outlet is proportional to the evaporator load.

Resources

Installation Guide

Installation Guide

1.56 MBPDF
068Z3730 - Technical Data

068Z3730 - Technical Data

86.84 KBPDF

Spare Parts

  • Spare part, T2; TE2, Filter
  • Danfoss Orifice TE2 - 0X
  • Danfoss Orifice TE2 - 00
  • Danfoss Orifice TE2 - 03
  • Danfoss Orifice TE2 - 04
  • Danfoss Orifice TE2 - 05
  • Danfoss Orifice TE2 - 06
  • Danfoss Orifice TE2 - 01
  • Danfoss Orifice TE2 - 02