Secop NL10MF Compressor M/HBP 220-240V

195B4065

Product Description

Nominal 1/3HP 10.1cm³ POE Oil - Fan Cooled 3m/s  (ASHREA Conditions)  R134a L/M/HBP 220-240V

  • Dedicated for LC applications, the Secop hermetic compressors not only have low energy consumption for optimised running costs, they are also very compact and provide good acoustic performance to ensure the best possible end-user convenience. 

    Other features and benefits include:

    • Wide evaporating range for improved pull-down capabilities
    • Efficient motor cooling
    • Robust design for reliable operation
    • Tailored solutions provide optimized performances

Previously known as Danfoss compressors. 

  • Replaces 195B3159

Resources

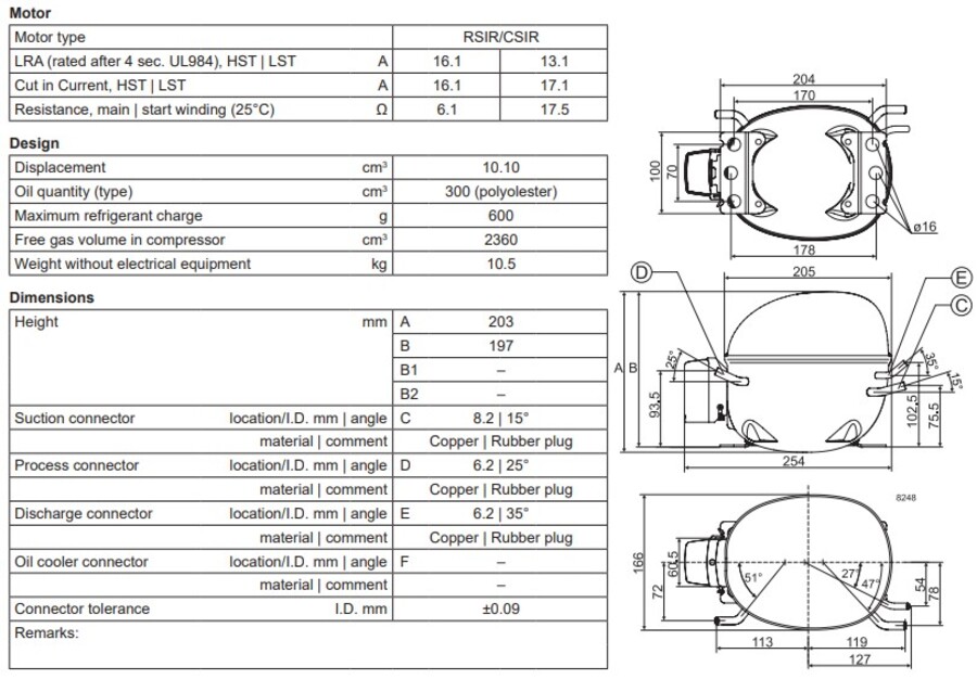
Compressor Specification Data

Compressor Specification Data

259.82 KBPDF
Secop Compressors AC Voltage Part 1

Secop Compressors AC Voltage Part 1

9.38 MBPDF
Secop Compressors AC Voltage Part 2

Secop Compressors AC Voltage Part 2

8.59 MBPDF
Secop Compressors AC Voltage Part 3

Secop Compressors AC Voltage Part 3

3.98 MBPDF
Application Of Hermetic Compressors To Refrigerati

Application Of Hermetic Compressors To Refrigerati

46.00 KBPDF
Guidelines Concerning Refrigeration Pipe Run Lengt

Guidelines Concerning Refrigeration Pipe Run Lengt

153.89 KBPDF