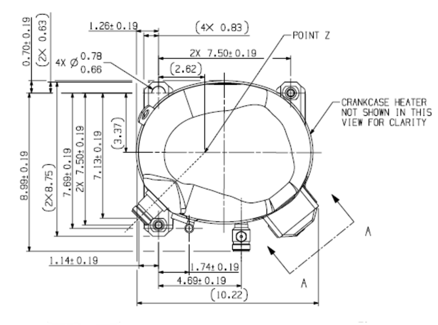
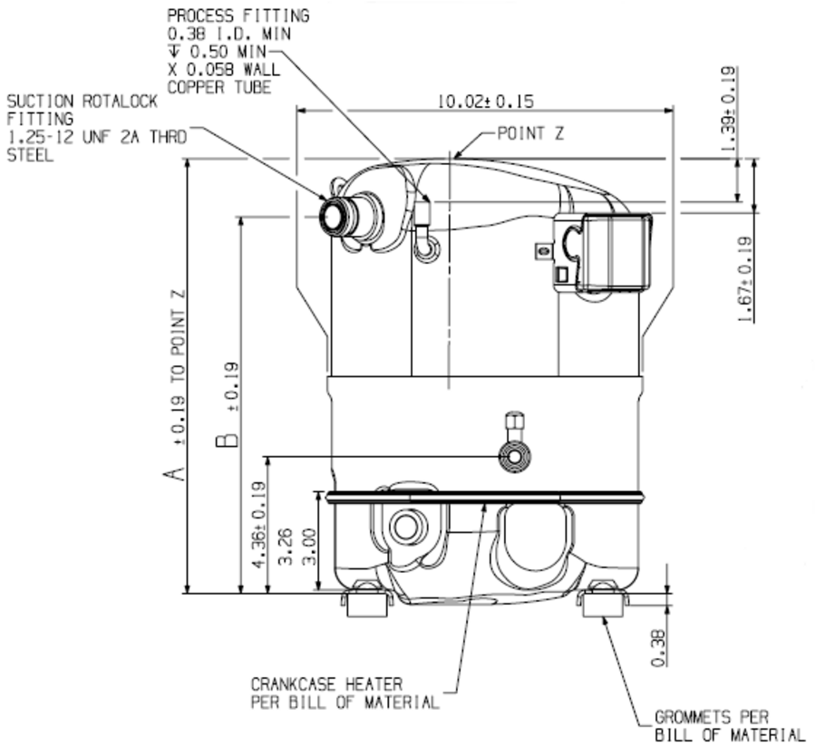
Copeland Compressor - Rotalock, 2.25HP, 1PH (No Electrics)

CS14K6E-PFJ-595

Product Description

Copeland CS series reciprocating hermetic compressor designed for commercial refrigeration applications. It is specifically built for field replacement and comes as a "Service Pack" that includes internal motor protection, a rubber mounting kit.

CS14K6E-PFJ-595

Performance: It is optimized for high energy efficiency and a high Coefficient of Performance (COP), designed to operate quietly even in high ambient conditions.

Refrigerant Compatibility: Suitable for use with R134A/R513A and R404A/R452A/R448A.

Electrical: Operates on a single-phase 240V / 50Hz power supply with a Capacitor Start Run (CSR) motor type.

Horsepower: Rated at 2.25HP.

Displacement: 47.19cm³/rev

Lubrication: Pre-charged with 1331ml of POE 32 (polyol ester) oil.