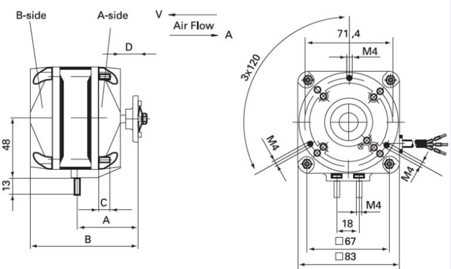
EBM Q-Motor 10 Watt 240v AC

M4Q045CA0375B01

Product Description

EBM Q Motor 10W 240V/50HZ low temperature 

High-efficiency refrigerative display cases - iQ - 10W EC Universal motor with multi mounts and 1500mm lead and Lyal plug for Fridgrite cases
Drop in replacement 
Suitable for low-temperature application
Shaded pole motor

Technical Specifications:

Current (A): 0.25
Electrical supply: 240V
Phase: 1
Power output: 10 watts
Voltage: 240v
Lead length: 1500mm