ZB Digital Copeland Scroll Compressor 3 Phase

ZBD76KCE-TFD551

Product Description

Copeland is the world’s leading compressor manufacturer and is committed to maximizing system effciency and protecting the environment. We offer a wide range of solutions for commercial refrigeration applications. The Copeland Scroll ZB Compressor is widely recognized in the refrigeration market for its reliability and low running cost in high and medium temperature applications. The newly released ZB large refrigeration scroll compressor expands the current ZB product line to 30 HP and is optimized for medium temperature applications for best-in-class seasonal energy effciency. ZB refrigeration scrolls offer customers an excellent solution to replacing traditional semihermetic compressors and lead the transition to scroll technology.

Features and benefts 

Robust and reliable

Copeland Scroll compressors have 70% fewer moving parts than reciprocating compressors and feature a scroll Compliance mechanism which makes them particularly robust and reliable under severe conditions including liquid slugging.

Dual compliance

Compliance means sealing between the orbiting and fxed scroll involutes. Dual compliance means the sealing is on both the axial and radial directions. This prevents refrigerant leak back across successive scroll pressure pockets. Compliance design also allows the scroll involutes to separate in both the radial and axial directions. This allows debris or liquid refrigerant to pass through the scroll involutes without damaging the compressor

Scroll wear in

The scroll involutes of Copeland scroll compressor wear in, rather than wear out. So unlike in other compressor technologies among similar categories, there is no constant degradation of performance with time due to wear out.  

Multiple refrigerants

ZB compressors are approved for R404A, R507, R22, R134a, R407F, R448A and R449A refrigerants. 

Technical Information:

Compressor Horsepower -   10HP

Displacement -   28.8m³/h

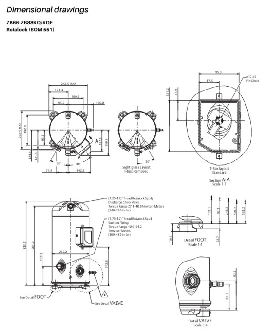
Connection type - Rota lock

Oil Charge -  3.3ltr